5
| Bauanleitung für Resettaster am User-Port |
 |
| Bauanleitung für Resettaster am User-Port
Bauanleitung für Resettaster am User-Port
Downloads:
Bauanleitung Resettaster am User-Port als PDF
|
|
| Bauanleitung C16/C64/C128 TV-SCART |
 |
| Bauanleitung C16/C64/C128 TV-SCART
Bauanleitung für Verbindungskabel C16/C64/C128 am TV mit SCART-Stecker
Downloads:
Bauanleitung C16/C64/C128 TV-SCART als PDF
|
|
| Schaltplan DIY-Paddle |
 |
| Schaltplan DIY-Paddle
DIY-Paddle für alle C64-Spiele mit Paddle-Unterstützung
Downloads:
Schaltplan DIY-Paddle als JPG
|
|
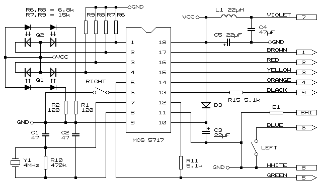
| Schaltplan 1351 Mouse |
 |
| Schaltplan 1351 Mouse
Die 1351 Mouse für den C64 unter Geos.
Downloads:
Schaltplan 1351 Mouse als GIF
|
|